Intech Industries Manufacturing Co., Ltd. Intech Herstellung Beschaffung

Intech Industries Manufacturing Co.,Ltd

Professioneller Rundum-Service -Herstellung -Maßanfertigung-Beschaffung&Handel-Lagerung
  • Startseite
  • Standard-Produkte
    • Ventile
      1. Edelstahlventile
      2. Messingventile
      3. Ventile aus Bronze
      4. Ventile aus Kohlenstoffstahl
    • Druckluftregler / Druckluftfilter / Druckluftöler
      1. Druckluftregler
      2. Druckluftfilter
      3. Druckluftöler
    • Schaugläser / Schauglasarmaturen
      1. Schraub Schauglas / Hochdruck Schauglas, Messing
      2. Hochdruck Schauglas / Metallverschmolzenes Schauglas, Ellbogen 90°
      3. Schraub Schauglas / Niederdruck Schauglas, Messing verzinkt
      4. Metallverschmolzenes Schauglas, rechteckig
    • Schwimmerventil / Füllstandsanzeiger
      1. Edelstahl Schwimmkugelhahn / Schwimmerventil, Typ B
      2. Edelstahl Schwimmkugelhahn / Schwimmerventil
      3. Füllstandsanzeiger mit Schwimmerkugel
    • Manometer mit Stahlgehäuse
      1. Manometer mit Stahlgehäuse, Polykarbonat Linse
    • Kondensatablassventile
      1. Automatischer Kondensatableiter - Druckluft, 800L
      2. Automatischer Kondensatableiter - Druckluft, 400L
      3. Kondensatableiter elektronisch
    • Druckluft Spiralschläuche
      1. Spiralschlauch Nylon
      2. Spiralschlauch PU
      3. Flex Verbindungsschlauch, Edelstahlwellschlauch
    • Kupplungen und Armaturen
      1. Feuerlöscharmaturen, Kupplungen für Hydranten
      2. Messing Schnellkupplungen
      3. Messing Schlauchtüllen, Gewindetülle
      4. NPT Adapter
      5. Messing Druckkupplung
      6. Messing Schlauchtülle
    • Ersatzteile für Druckluftkompressor
      1. Wegeventil Handhebel
      2. Druckschalter, Druckluftschalter
  • Maßgefertigte Produkte
    • NSF zertifizierte Ventile
      1. Brass Mini Ball Valve, 600 PSI, Hex Bod
      2. Messing Absperrventil
      3. Messing Rückschlagklappe
      4. Mini Kugelhahn mit Flügelgriff, Edelstahl
      5. NSF zertifizierter Mini Kugelhahn - Edelstahl, 1-teiliger Kugelhahn mit Sechskant-Profil
      6. Messing Kugelhahn mit vollem Durchgang, bleifrei, 2-teilig - NSF, UL, CSA zertifiziert
      7. Messing Kugelhahn mit Schweißenden, bleifrei, NSF zertifiziert
    • Präzisions-Schmiede- und Gussteile
    • Komponente für Hydraulik und Pneumatik
      1. Verteilerblock, Verteilerleiste
      2. Druckluftbehälter
      3. Ausblaspistole
      4. Filterelemente und Schalldämpfer
      5. Magnetventil
      6. Manometer in verschiedenen Ausführungen
    • Gummi- und Kunststoffteile
  • Maßanfertigungen
  • Über Uns
  • Video
  • Kontakt
  1. Startseite
  2. Standard-Produkte
  3. Ventile
  4. Messingventile
  5. Messing Kugelhähne
  6. Mini-Kugelhahn, Messing, 450psi

Mini-Kugelhahn, Messing, 450psi

  • Mini-Kugelhahn, Messing, 450psi
Anfrage
  • Betriebsdruck: 450PSI
  • Temperaturbereich: von -20°F bis 370°F (von -30°C bis +190°C)
  • Doppeldichtungen ermöglichen Betätigung in zwei Richtungen.
  • Drei Griffarten aus Kunststoff oder Zinklegierung – Flügelgriff, Knebelgriff und L-Bohrung
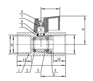
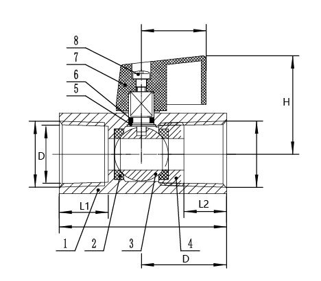
Inch/Metric(mm)
Bestellnr. Größe L D d S W H
CMV-12-00 1/8 1.55/39.37 0.81/20.57 0.24/6.10 0.49/12.45 0.79/20.07 1.02/25.91
CMV-25-00 1/4 1.71/43.43 0.89/22.61 0.31/7.87 0.55/13.97 0.79/20.07 1.02/25.91
CMV-33-00 3/8 1.71/43.43 0.89/22.61 0.31/7.87 0.55/13.97 0.79/20.07 1.02/25.91
CMV-50-00 1/2 2.11/53.59 0.63/16.00 0.39/9.91 0.67/17.02 0.79/20.07 1.1/27.94
Außengewinde x Innengewinde
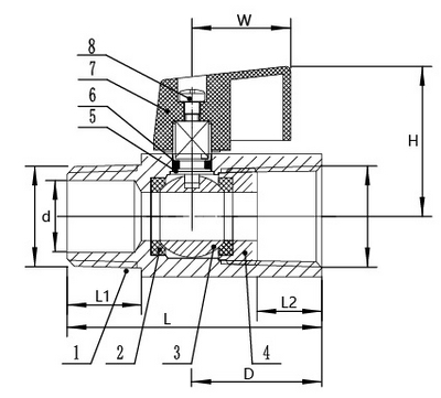
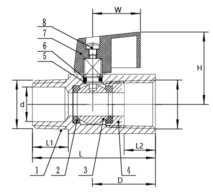
Mini-Kugelhahn, Messing, 450psi
Pos. Bauteil Material
1 Gehäuse Messing
2 Sitz PTFE
3 Kugel Messing
4 Verschlusskappe Messing
5 Spindel Messing
6 O-Ring FKM
7 Handhebel Kunststoff oder Zinklegierung
8 Schraube S.S
Inch/Metric(mm)
Bestellnr. Größe L D d S W H
CBV-12-00 1/8 1.55/39.37 0.81/20.57 0.24/6.10 0.49/12.45 0.79/20.07 1.02/25.91
CBV-25-00 1/4 1.71/43.43 0.89/22.61 0.31/7.87 0.55/13.97 0.79/20.07 1.02/25.91
CBV-33-00 3/8 1.71/43.43 0.89/22.61 0.31/7.87 0.55/13.97 0.79/20.07 1.02/25.91
CBV-50-00 1/2 2.11/53.59 0.63/16.00 0.39/9.91 0.67/17.02 0.79/20.07 1.1/27.94
Innengewinde x Außengewinde
Mini-Kugelhahn, Messing, 450psi
Pos. Bauteil Material
1 Gehäuse Messing
2 Sitz PTFE
3 Kugel Messing
4 Verschlusskappe Messing
5 Spindel Messing
6 O-Ring FKM
7 Handhebel Kunststoff
8 Schraube S.S
Intech Manufacturing ist ein professioneller Hersteller von Standard- und maßangefertigten Ventilen, Verbindunsstücken und Fittings, Maschinenbauteilen, Kunststoffteilen und Gummikomponenten. Wir können auch auf Maß Ventile anfertigen, z.B. aus Edelstahl, Messing, Bronze, Karbonstahl, Aluminium und Kunststoff. Wenn wir ein Produkt nicht selbst herstellen können, beschaffen wir für unsere Kund*innen die gewünschten Ventile, Fittings, Schläuche und Maschinenbauteile von anderen, uns vertrauten Herstellern. Bei uns erhalten Sie also alles, was Sie brauchen - One-Stop Rundum-Service.
Tags
Mini Kugelhahn 450 PSI Kugelhahn Industriearmaturen
Produktliste
Betreffende Produkte
    1. Mini-Kugelhahn, Messing, auf Luftkompressor
    2. Mini-Kugelhahn, Messing, auf Luftkompressor
    1. Mini Kugelhahn mit einseitigem Knebelgriff
    2. Mini Kugelhahn mit einseitigem Knebelgriff
    1. Mini-Kugelhahn mit Flügelgriff, Messing
    2. Mini-Kugelhahn mit Flügelgriff, Messing
    1. 3-Wege Kugelhahn Messing
    2. 3-Wege Kugelhahn Messing
    1. 3-Wege Verteilerstück mit Kugelhahnabsperrung
    2. 3-Wege Verteilerstück mit Kugelhahnabsperrung
    1. 3-Wege Verteilerstück mit Kugelhahnabsperrung -Schnellkupplung
    2. 3-Wege Verteilerstück mit Kugelhahnabsperrung -Schnellkupplung
    1. Messing Kugelhahn mit Schmutzfänger
    2. Messing Kugelhahn mit Schmutzfänger
    1. Messing Kugelhahn mit Ovalgriff
    2. Messing Kugelhahn mit Ovalgriff
Standard-Produkte
  • Ventile
    1. Edelstahlventile
    2. Messingventile
    3. Ventile aus Bronze
    4. Ventile aus Kohlenstoffstahl
  • Druckluftregler / Druckluftfilter / Druckluftöler
    1. Druckluftregler
    2. Druckluftfilter
    3. Druckluftöler
  • Schaugläser / Schauglasarmaturen
    1. Schraub Schauglas / Hochdruck Schauglas, Messing
    2. Hochdruck Schauglas / Metallverschmolzenes Schauglas, Ellbogen 90°
    3. Schraub Schauglas / Niederdruck Schauglas, Messing verzinkt
    4. Metallverschmolzenes Schauglas, rechteckig
  • Schwimmerventil / Füllstandsanzeiger
    1. Edelstahl Schwimmkugelhahn / Schwimmerventil, Typ B
    2. Edelstahl Schwimmkugelhahn / Schwimmerventil
    3. Füllstandsanzeiger mit Schwimmerkugel
  • Manometer mit Stahlgehäuse
    1. Manometer mit Stahlgehäuse, Polykarbonat Linse
  • Kondensatablassventile
    1. Automatischer Kondensatableiter - Druckluft, 800L
    2. Automatischer Kondensatableiter - Druckluft, 400L
    3. Kondensatableiter elektronisch
  • Druckluft Spiralschläuche
    1. Spiralschlauch Nylon
    2. Spiralschlauch PU
    3. Flex Verbindungsschlauch, Edelstahlwellschlauch
  • Kupplungen und Armaturen
    1. Feuerlöscharmaturen, Kupplungen für Hydranten
    2. Messing Schnellkupplungen
    3. Messing Schlauchtüllen, Gewindetülle
    4. NPT Adapter
    5. Messing Druckkupplung
    6. Messing Schlauchtülle
  • Ersatzteile für Druckluftkompressor
    1. Wegeventil Handhebel
    2. Druckschalter, Druckluftschalter
Anfrage

Intech Manufacturing ist ein professionller Hersteller von Standardventilen und maßangefertigten Ventilen, Verbindungsstücken und Fittings, Maschinenbauteile, Kunststoffteile und Gummiteile etc.

  • Standard-Produkte
    1. Ventile
    2. Druckluftregler / Druckluftfilter / Druckluftöler
    3. Schaugläser / Schauglasarmaturen
    4. Schwimmerventil / Füllstandsanzeiger
    5. Manometer mit Stahlgehäuse
    6. Kondensatablassventile
    7. Druckluft Spiralschläuche
    8. Kupplungen und Armaturen
    9. Ersatzteile für Druckluftkompressor
  • Maßgefertigte Produkte
    1. NSF zertifizierte Ventile
    2. Präzisions-Schmiede- und Gussteile
    3. Komponente für Hydraulik und Pneumatik
    4. Gummi- und Kunststoffteile
  • Maßanfertigungen
    1. Was wir Ihnen bieten
    2. Herstellungskapazität
    3. Prozess für Maßanfertigungen
  • Kontakt
  • Adresse (Büro): C806B, Senlan Meihuan Building, 519 Qifan Road, Pudong, Shanghai China
    Adresse (Fabrik): 8 Huadian,Jintan Industry Area,Jintan,Changzhou,Jiangsu
Supported by ETW International Inc. USA