In-Line Rückschlagventil, vertikale oder horizontale Montage
- Betriebsdruck: 250 PSI
- Temperaturbereich: von -40 °F bis 450°F (von -40℃ bis 230℃)
- Abreißdruck: 3 PSI
- Anwendung: Schlauchsysteme im Luftkompressor, Wasserversorgung oder Ölindustrie
| Pos. | Bauteil | Material |
| 6 | Stopfen | Messing |
| 5 | Gehäuse | Bronze |
| 4 | Dichtung | PTPF |
| 3 | Feder | Edelstahl |
| 2 | O-Ring | HNBR |
| 1 | Verschlusskappe | Messing |
| Bestellnr. | Größe | W | L | H |
| In. | mm | In. | mm |
| | 1/8'' | 1/8 | 1.75 | 44.45 | 1.63 | 41.40 |
| | 1/4'' | 1/4 | 1.75 | 44.45 | 1.63 | 41.40 |
| | 3/8'' | 3/8 | 2.19 | 55.63 | 1.88 | 47.75 |
| | 1/2'' | 1/2 | 2.50 | 63.50 | 2.13 | 54.10 |
| | 3/4'' | 3/4 | 2.88 | 73.15 | 2.50 | 63.50 |
| | 1'' | 1 | 3.50 | 88.90 | 2.88 | 73.15 |
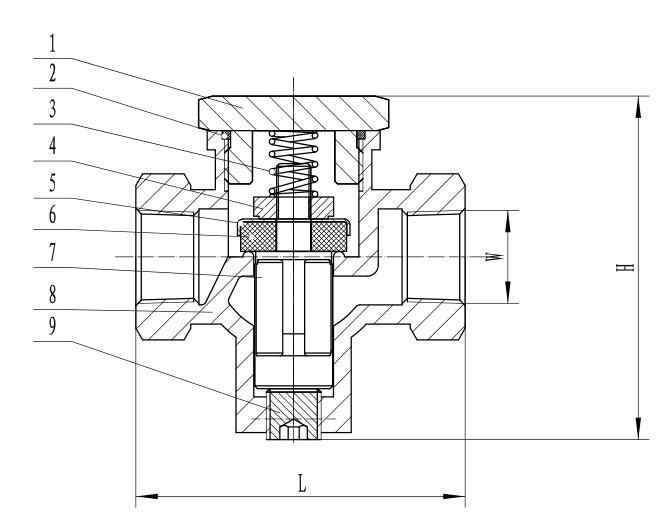
| Pos. | Bauteil | Material |
| 9 | Stopfen | Messing |
| 8 | Gehäuse | Bronze |
| 7 | Ventileinsatz | Bronze |
| 6 | Dichtung | PTPF |
| 5 | Dichtungsstütze | Messing |
| 4 | Mutter | Messing |
| 3 | Feder | Edelstahl |
| 2 | O-Ring | HNBR |
| 1 | Verschlusskappe | Messing |
| Bestellnr. | Größe | W | L | H |
| In. | mm | In. | mm |
| | 1/4'' | 1/4 | 2.19 | 55.63 | 2.38 | 60.45 |
| | 3/8'' | 3/8 | 2.38 | 60.45 | 2.52 | 64.01 |
Intech Manufacturing ist ein professioneller Hersteller von Standard- und maßangefertigten Ventilen, Verbindunsstücken und Fittings, Maschinenbauteilen, Kunststoffteilen und Gummikomponenten. Wir können auch auf Maß Ventile anfertigen, z.B. aus Edelstahl, Messing, Bronze, Karbonstahl, Aluminium und Kunststoff. Wenn wir ein Produkt nicht selbst herstellen können, beschaffen wir für unsere Kund*innen die gewünschten Ventile, Fittings, Schläuche und Maschinenbauteile von anderen, uns vertrauten Herstellern. Bei uns erhalten Sie also alles, was Sie brauchen - One-Stop Rundum-Service.